CNC Breakout Board Mach3 OSP001583 für MACH3 100kHz 5-Achsen Schnittstellentreiber Bewegungssteuerung
CNC Breakout Board Mach3 OSP001583 für MACH3 100kHz 5-Achsen Schnittstellentreiber Bewegungssteuerung
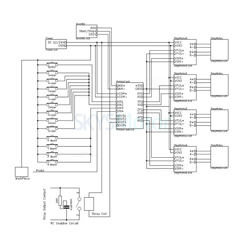
Beschreibung:
Kompatibel mit MACH3-Software.
Unterstützt Windows XP, WIN7, WIN8 und WIN10 Systeme, einschließlich Tablets und 64-Bit-Systemen.
Externer Weitbereichsspannungseingang: 12–24 V, mit Verpolschutz.
Alle Eingangssignale sind optisch isoliert. Eingänge können für Not-Aus, Werkzeugvoreinstellung, Endschalter und Referenzierungsfunktionen verwendet werden, was die Sicherheit der Computerschnittstelle erhöht.
Bietet einen optisch isolierten 0–10 V Analogspannungsausgang zur Steuerung eines Frequenzumrichters mit 0–10 V Analogeingang für die Spindeldrehzahlregelung.
Bietet einen optisch isolierten PWM-Ausgang (5V-Pegel) zur Steuerung von PWM-basierten Spindeldrehzahlreglern.
Enthält vier Ausgangsports (5V-Pegel), die mit Optokoppler-Relais-Modulen verbunden werden können, um z.B. Wasserkühlung oder Kühlnebelanlagen zu steuern.
Unterstützt den Anschluss von Schrittmotortreibern mit gemeinsamer Anode oder Kathode, 5V-Pegel und Optokopplereingang.
Enthält einen 5-Achsen-Schnittstellenkabelanschluss (HX2.54) für die Verbindung mit Schrittmotortreibern.
Frequenzumrichter-Einrichtung:
Stellen Sie den Frequenzumrichter auf den externen Klemmenstart-Modus ein.
Stellen Sie die Frequenzsteuerungsart des Frequenzumrichters auf Analog (0–10 V) Eingangssteuerung ein.
Schnelltest Frequenzumrichter:
Der Frequenzumrichter muss zunächst nicht mit der Schnittstellenplatine verbunden werden.
Kurzschließen Sie die Klemmen FWD und COM sowie die Klemmen 10V und VI des Frequenzumrichters. Schließen Sie die Spindel an. (Alternativ schließen Sie ein Potentiometer an die Klemmen 10V, VI und GND an, wie in der Abbildung gezeigt.)
Schalten Sie die Stromversorgung ein. Wenn der Frequenzumrichter arbeitet und die Spindel normal rotiert, sind die Einstellungen im Allgemeinen korrekt. Bei Verwendung eines Potentiometers kann die Geschwindigkeit eingestellt werden.
Lieferumfang:
1 Stück 5-Achsen Mach3 V3,25 Schnittstellenplatine
1 Stück Hochleistungs-USB-Kabel
Bitte beachten Sie:
Achten Sie auf die richtige Polung der Stromversorgung und die Anschlussrichtung der Treiber.
Schalten Sie die Treiber oder Motoren nicht ein/aus, wenn die Stromversorgung eingeschaltet ist.
Trennen Sie alle Motoren, wenn Sie den Treiberstrom einstellen.





| Schrittmotortreiber-Spezifikation | |
|---|---|
| Betriebsspannung (mm) | 24 V / 5V |
| Eingangsspannung (V) | 12V-24V |
| Physikalische Spezifikation | |
| Gewicht (g) | 350 |

クレジットカード決済
PayPal